產品名稱:
英錐管外螺紋/英管內螺紋60°外錐
產品系列搜索
請選擇您想要尋找的相關產品系列
產品描述

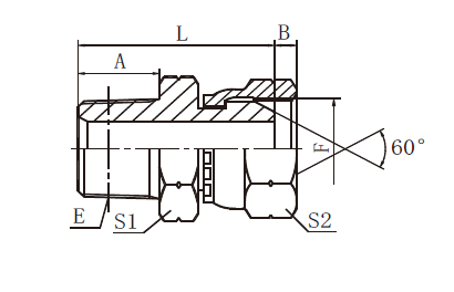
| 訂貨號 | 螺 紋 | 尺 寸 | |||||||
| E | F | A | B | L | S1 | S2 | |||
| B43-04 | R1/4"X19 | G1/4"X19 | 14.5 | 5.5 | 31.5 | 17 | 19 | ||
| B43-06 | R3/8"X19 | G3/8"X19 | 15 | 6.3 | 33 | 19 | 22 | ||
| B43-08 | R1/2"X14 | G1/2"X14 | 20 | 7.5 | 42 | 22 | 27 | ||
| B43-12 | R3/4"X14 | G3/4"X14 | 20 | 10.9 | 45 | 30 | 32 | ||
| B43-16 | R1"X11 | G1"X11 | 25.5 | 11.7 | 52.5 | 36 | 41 | ||
| B43-20 | R1.1/4"X11 | G1.1/4"X11 | 26.5 | 11 | 59 | 46 | 50 | ||
| B43-24 | R1.1/2"X11 | G1.1/2"X11 | 26.5 | 13 | 61.5 | 50 | 55 | ||
| B43-32 | R2"X11 | G2"X11 | 30 | 16 | 68 | 65 | 70 | ||