產品名稱:
日本公制外螺紋/英管外螺紋 90°彎接頭
產品系列搜索
請選擇您想要尋找的相關產品系列
產品描述

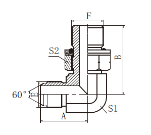
| 訂貨號 | 螺 紋 | O 形圈 | 尺 寸 | ||||||||
| E | F | F端 | A | B | S1 | S2 | |||||
| AK5-14-04/9 | M14X1.5 | G1/4"X19 | O111 | 26.5 | 31.3 | 14 | 19 | ||||
| AK5-16-04/9 | M16X1.5 | G1/4"X19 | O111 | 28 | 35 | 17 | 19 | ||||
| AK5-18-04/9 | M18X1.5 | G1/4"X19 | O111 | 30.8 | 36 | 19 | 19 | ||||
| AK5-18-06/9 | M18X1.5 | G3/8"X19 | O113 | 30.8 | 37 | 19 | 22 | ||||
| AK5-22-08/9 | M22X1.5 | G1/2"X14 | O115 | 35.5 | 43.2 | 22 | 27 | ||||
| AK5-24-08/9 | M24X1.5 | G1/2"X14 | O115 | 37 | 46 | 24 | 27 | ||||